Удаленное управление устройствами по Ethernet

Логичным продолжением темы управления антеннами и прочим оборудованием по Wi-Fi и USB стала данная конструкция. Теперь антеннами можно управлять с помощью проводного подключения, используя ethernet.

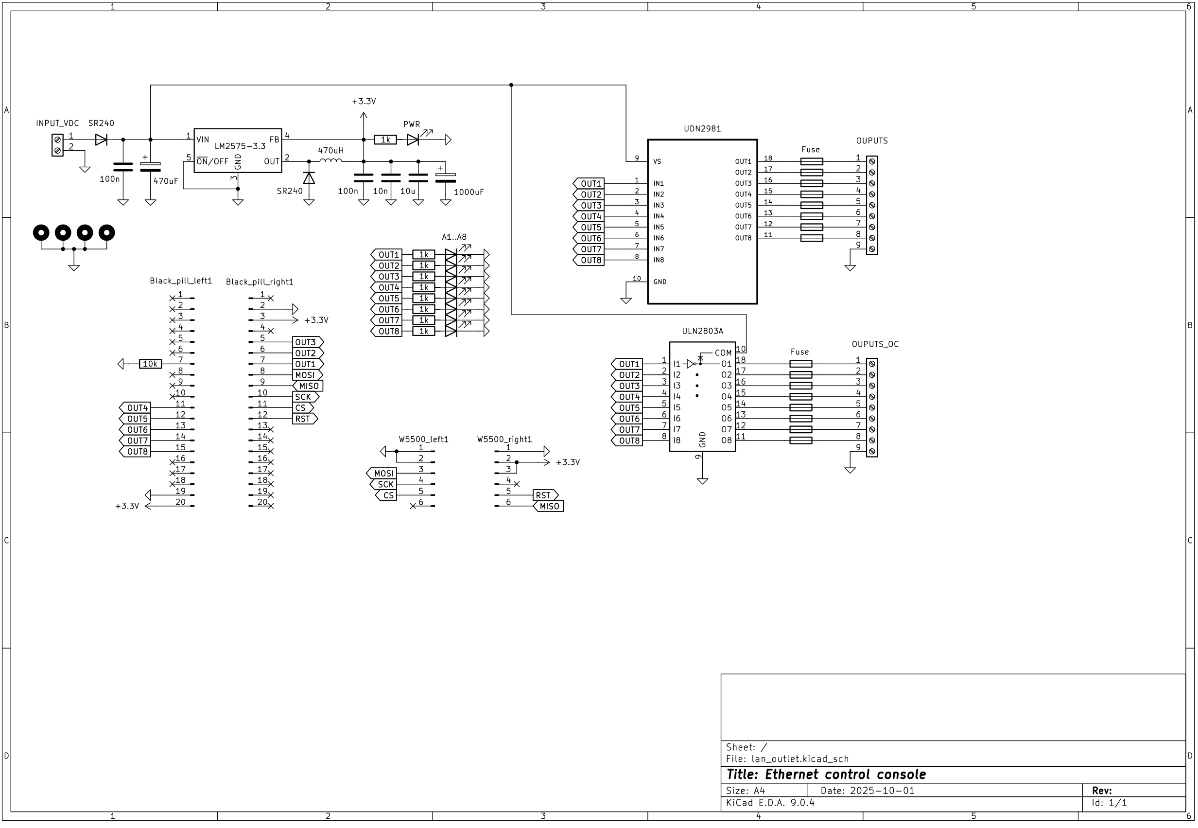
Самый простой и распространённый способ подключить ваше самодельное устройство в локальную сеть — это использовать модуль W5500 от компании WizNet. Небольшая статья для знакомства с возможностями этого модуля подтолкнула меня в нужно направлении и в итоге получилась схема на базе отладочной платы BlackPill (stm32f401ccu6).

Нечто похожее я уже описывал в статье про управление усилителем мощности ПЖ. Но в данном случае хотелось сделать полноценный веб-сервер, который открывается в любом браузере и не требуется запуск отдельных управляющих программ. Получилась практически полная копия такого же устройства с управлением по Wi-Fi.

Управление происходит через любой веб-браузер, доступ к странице по IP адресу устройства. При включении любого выхода на соответствующем контакте винтового зажима появляется напряжение питания, поданное на контакты 12-24V. На самом деле границы питающего напряжения шире (5-45В), но самые распространенные коммутаторы антенн в 99% случаев внутри имеют реле на напряжение 12 или 24(27)В. Помимо основных выходов напряжения, есть дублирующие их выходы с открытым коллектором, на которые можно подключить дополнительные реле или устройства.

Для конфигурации сетевых настроек, пароля для доступа к веб интерфейсу и надписей на кнопках, было написано простое оконное приложение на Python (спасибо DeepSeek).

Подключение для редактирование настроек осуществляется через USB на плате BlackPill. Программа конфигурации позволяет считать из памяти текущие настройки, а также применить их и записать в энергонезависимую память микроконтроллера (EEPROM). Также есть кнопка Reset для перезапуска устройства с новыми настройками. Думаю, интерфейс программы довольно простой и в особых пояснениях не нуждается. Скачать версию для ОС Windows можно по ссылке. Полный исходный код можно найти на GitHub.

Запись опубликована в рубрике Python, STM32, Радио, Удаленка. Добавьте в закладки постоянную ссылку.

Добавить комментарий

Ваш адрес email не будет опубликован. Обязательные поля помечены *