Двунаправленная антенна Бевереджа

Возможность слушать оба направления (вперед и назад) на одну антенну Бевереджа звучит очень заманчиво, особенно если места под установку не так много. В статье расскажу об одном из вариантов такой антенны и способе коммутации направлений и антенн.

О том, как работает прием с двух направлений в антенне Бевереджа довольно подробно описал Игорь DL2KQ. Меня заинтересовал вариант антенны BoG (beverage on ground) где в качестве приемной линии выступает коаксиальный кабель 50 Ом.

Главная часть таких антенн — это трансформаторы в блоках согласования на обоих концах линии. Схема подключения обычно выглядит так:

На рисунке указаны витки уже рассчитанные для антенны BoG из коаксиального кабеля. Но соотношения витков могут быть изменены для любой другой линии. Ниже приведены формулы для расчета.

,

где Zbev — волновое сопротивление антенны, Zkoax — волновое сопротивление линии питания антенны, Ztl — волновое сопротивление двупроводной линии, которая выступает в качестве антенны.

Как видно из схемы, коробочки согласования имеют два выхода — прямое и обратное направление приема. При этом важно помнить, что неиспользуемое направление должно быть подключено к нагрузке 50 Ом для корректной работы трансформаторов. На обеих сторонах длинной линии нужно не забыть подключить заземление (радиалы).

Переключение направлений можно организовать разными способами. Один из вариантов — это добавить реле с двумя группами контактов, которое будет переключать вход приемника на прямое или обратное направление и одновременно подключать резистор 50 Ом для неиспользуемого входа. Этот способ требует наличия управляющего напряжения, которое подается либо через инжектор, либо напрямую отдельным питающим кабелем.
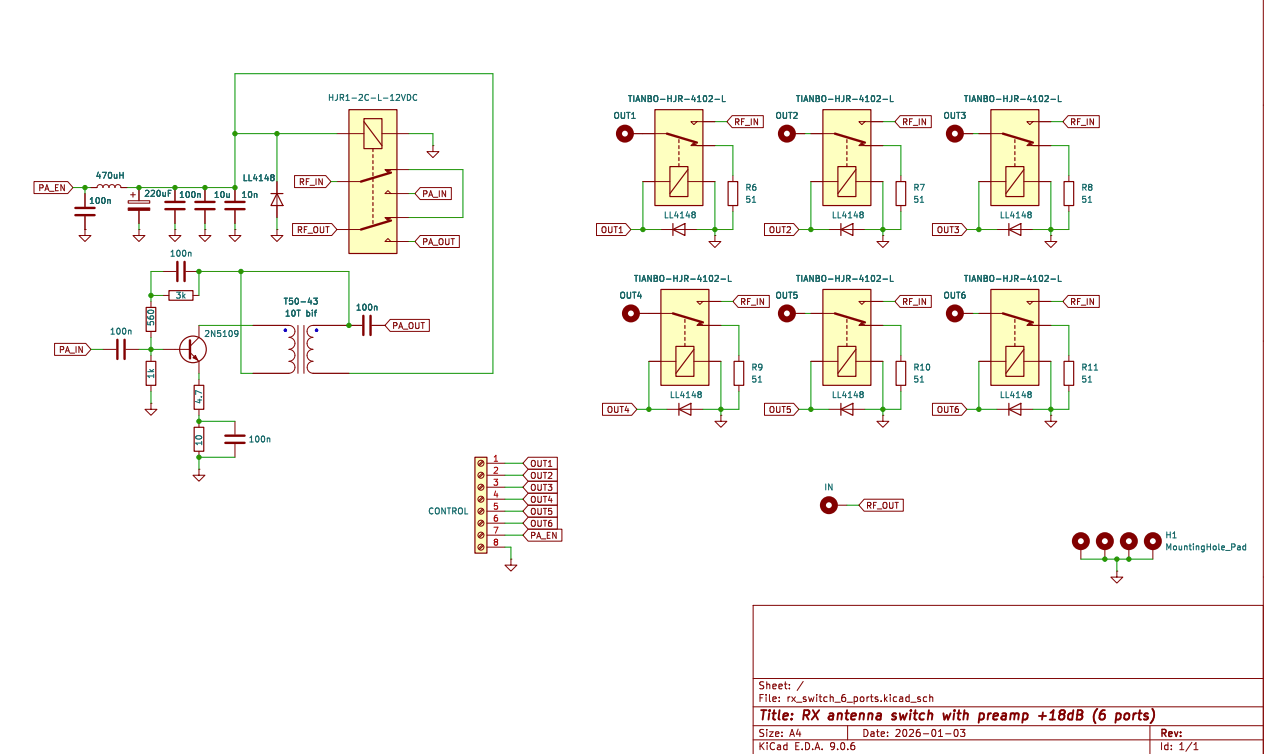
Другой вариант — использовать коммутатор приемных антенн, в котором неиспользуемые порты нагружены на 50 Ом. Этот вариант помимо прочих плюсов позволяет добавить малошумящий усилитель, который чаще всего необходим для антенн Бевереджа, а тем более для варианта Beverage on ground.

Схема коммутатора на 6 портов с усилителем по схеме W7IUV на транзисторе 2N5109:

Коммутатор на 4 порта я уже описывал. Схема практически такая же, только применен предусилитель с большим усилением. Все собрано в металлическом корпусе Gainta B027MF.

Коммутация осуществляется подачей 12В на соответствующие винтовые зажимы. Для управления подойдет универсальный пульт. Таким образом, к данному коммутатору можно подключить до 3 двунаправленных антенн Бевереджа и переключать 6 направлений.

Запись опубликована в рубрике Приемные антенны, Радио с метками , . Добавьте в закладки постоянную ссылку.

2 комментария на «Двунаправленная антенна Бевереджа»

  1. Karl Shumaker говорит:

    I tried many times last night to answer your CQ on FT8 but was not fast enough! You are very advanced in amateur radio! Your countrymen in Ekatrinaberg make a nice SDR receiver, the Malahiteam DSP 2 (now is DSP3). I am impressed with Russian genius in them and you!
    May we always be friends whether in person or in amateur radio!
    73 Karl
    KI4ZUQ

Добавить комментарий

Ваш адрес email не будет опубликован. Обязательные поля помечены *